Yayli Zi̇nci̇r Gergi̇si̇
Yayli Zi̇nci̇r Gergi̇si̇
Yayli Zi̇nci̇r Gergi̇si̇
Yayli Zi̇nci̇r Gergi̇si̇
Yayli Zi̇nci̇r Gergi̇si̇

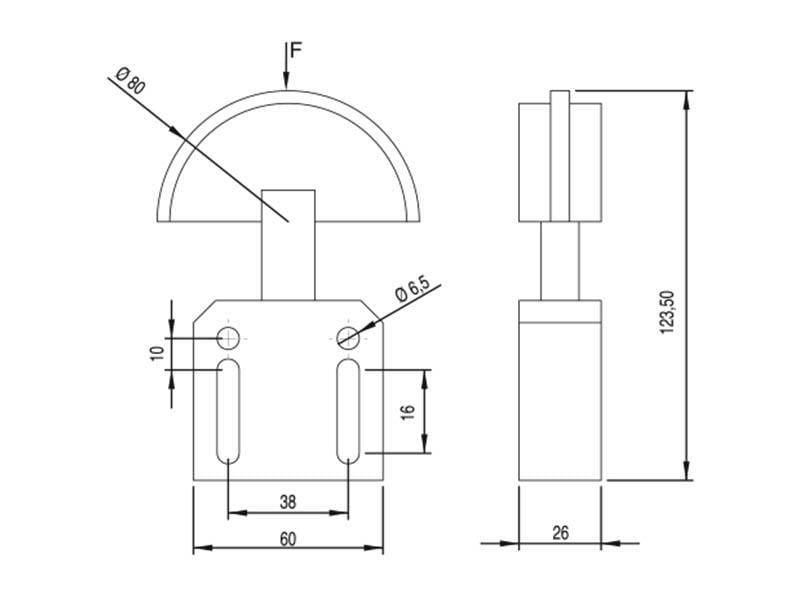
Yaylı Zincir Gergisi (207.GYR.138)

Marka : Markasız
Fiyat : ₺1.893,34(KDV Dahil)

ALHAN® Zincir ve kayış gergileri, Zincirlerin çalışma düzeni içinde daima gergin durmasını sağlayan parçalardır.. Zincir gergisi yaylı, kauçuklu ve amortisörlü olarak üç türlü çalışma ilkesine sahiptir. Doğru montaj şekilleri için gerginin kuvvet yönüyle dik bir şekilde teğet geçmesi gerekir. Zincir gergisinin kafa kısmı Alpolen® uhmw 1000 teknik plastikten yapılmıştır.Yayları galvaniz veya paslanmaz olarak seçilebilir. -40 +80 dereceye kadar dayanıklıdır. Kuvvet yolu mesafesi diye ifade edilen Stroku 40 mm ‘dir. Sürtünmeye dayanım ve sürekli değişik yöndeki salınıma göre değişmez gergin işlevi sayesinde hesaplı ve tercih edilebilir bir üründür.

Makine sektöründe iletim ve taşıma yapılan yerlede zaman ile oluşan zincir bollaşması, zorlamadan kaynaklanan zincirin iletimi(dolayısıyla gücü) tam aktaramaması zincir ve kayışın zarar görmesine ile sonuçlanır. ALHAN® Zincir gergileri değirmen makinelerinde, paketleme makinelerinde, konveyörlerde, unlu mamul işleme hatlarında, mermer ve plastik işleme makinelerinde ayrıca matbaa ve baskı sektörlerinde kullanılır. Diğer yandan kauçuk kollar ile besleme yapan salınım yöntemiyle çalışan makinelerde , oyun parklarındaki , endüstriyel tartılarda , kapı durdurucusu olarak ve benzeri gerilimin olduğu yerlerde ALHAN® Zincir gergileri  kullanılır. Kauçuk kollar, darbe emici olması sebebiyle  yaylanma ihtiyacı olan yerlerde, rulo baskı aparatı olarak da kullanılır.

Stok Kod Malzeme

Bant Aralığı

 Sıra F Baskı Kuvveti (N)
207 GYR 138 Alpolen® 1000 Yeşil 3/8" - 06 B1 1 36-79 10
207 GYR 112 Alpolen® 1000 Yeşil 1/2" - 08 B1 1 36-79 10
207 GYR 158 Alpolen® 1000 Yeşil 5/8" - 10 B1 1 36-79 10
207 GYR 134 Alpolen® 1000 Yeşil 3/4" - 12 B1 1 36-79 10
207 GYR 101 Alpolen® 1000 Yeşil 1"    - 16 B1 1 64-142 10

 

Stok Kod Malzeme   Bant Aralığı  Sıra F Baskı Kuvveti (N)
207 GYR 238 Alpolen® 1000 Yeşil 3/8"  - 06 B2 2 36-79 10
207 GYR 212 Alpolen® 1000 Yeşil 1/2" -  08 B2 2 36-79 10
207 GYR 258 Alpolen® 1000 Yeşil 5/8" -  10 B2 2 36-79 10
207 GYR 234 Alpolen® 1000 Yeşil 3/4" -  12 B2 2 36-79 10
207 GYR 201 Alpolen® 1000 Yeşil 1"    -  16 B2 2 64-142 10

 

 

 

cultureSettings.RegionId: 0 cultureSettings.LanguageCode: TR